В статье Владимира Репина раскрываются методы визуального анализа графической схемы бизнес-процесса в нотации BPMN в Business Studio 5. Они могут быть использованы для выявления проблем, связанных с выполнением процесса, и разработки мероприятий по его оптимизации. Материал может быть полезен руководителям и специалистам, вовлеченным в проект описания и оптимизации бизнес-процессов компании.
Введение
В настоящее время для многих компаний является весьма актуальной задача анализа, оптимизации и цифровизации бизнес-процессов.
Метод визуального описания бизнес-процессов в нотации BPNM является одним из ключевых для решения этой задачи.
Какие проблемы, связанные с выполнением бизнес-процесса, могут быть выявлены путем визуального анализа графической схемы? В статье я привожу описание возможных методов и некоторые примеры их применения.
Требования к графической схеме бизнес-процесса
Прежде всего определимся с контекстом, точкой зрения и целью анализа.
Контекст – в компании создан Процессный офис, который использует программный продукт Business Studio для моделирования и анализа бизнес-процессов в нотации BPMN. Разработан и используется внутренний стандарт по описанию процессов («Соглашение по моделированию»).
Точка зрения – взгляд на выполняемую деятельность со стороны владельца бизнес-процесса.
Цель – выполнить описание и анализ бизнес-процесса «Как есть» для выявления возникающих проблем и разработки мероприятий по оптимизации/цифровизации бизнес-процесса, создания модели процесса «Как должно быть».
Важно отметить, что возможность визуального анализа определяется качеством и аналитической полнотой графической схемы. Логически некорректная модель с отсутствием какой-либо аналитики («Голый поток Work Flow») вряд ли подойдет для решения указанной выше задачи.
Можно сформулировать четыре группы критериев, которым должна удовлетворять графическая схема в нотации BPMN, которую предполагается использовать для анализа проблем:
- Отсутствие нотационных и логических ошибок.
- Наличие на схеме потоков документов (информации), статусов документов, хранилищ данных (ресурсов), используемых информационных систем.
- Содержательное соответствие реальному процессу (Модель «Как есть», адекватная семантика).
- Визуальная наглядность и красота схемы (стиль).
Кратко пройдемся по этим критериям. Отсутствие нотационных и логических ошибок является базовым требованием. Схема, содержащая ошибки, тем более, логические, - непригодна для анализа. Для формального контроля качества схемы можно использовать чек-лист, который может содержать, например, следующие разделы:
- корректность формулировок названий объектов на схеме;
- корректность описания входов/выходов;
- корректность описания событий (стартовых, промежуточных, завершающих);
- логические ошибки;
- адекватное описание множества обрабатываемых в рамках процесса объектов;
- архитектурные ошибки (дублирование группы задач вместо использования «Типового процесса» и проч.);
- неоднородность по масштабу выполняемых задач;
- аккуратность исполнения схемы, наглядность.
Наличие на схеме потоков документов (информации), статусов документов, хранилищ данных (ресурсов), используемых информационных систем является ключевым для возможности выполнять анализ. Подробно о создании таких схем я написал в статье «Моделирование информационных потоков в нотации BPMN в Business Studio 5». Рекомендую обратить внимание на представленные там требования.
Содержательное соответствие реальному процессу (Модель «Как есть», адекватная семантика). Речь идет о том, что модель действительно соответствует процессу «Как есть», то есть содержит все реально выполняемые задачи без пропусков, упрощений и т.п.
На рис. 1 показан фрагмент схемы процесса. Слева – то, что было в созданной модели «Как есть». Справа – реальный процесс, в рамках которого осуществляется ручная передача документа от сотрудника к сотруднику. Такого рода ситуации, когда документ (информация) мгновенно и непонятно каким образом перемещаются от задачи к задачи, скорее могут служить иллюстрацией к фантастическому роману, чем для целей практического анализа бизнес-процесса.

Рис. 1. Соответствие реальному процессу. Пример.
Адекватная реальности семантика. Нотация BPMN является весьма сложной. Важно понимать, что она была разработана для проектирования исполняемых в BPM-системе процессов. Движок такой BPM-системы, если объяснять не уходят в технические детали, интерпретирует значки нотации BPMN определенным образом и генерирует исполняемый код без участия человека. При исполнении бизнес-процесса в BPM-системе семантика графической схемы реализуется через соответствующий функционал. Например, могут быть использованы такие решения, как: межпроцессное взаимодействие путем отправки/получения сообщений, граничные события различного типа, завершение процесса типа «Terminate», триггеры, сигналы, компенсации и прочее.
Но в реальном, неавтоматизированном бизнес-процессе (типичный пример: Outlook + функциональная система) ничего этого нет – передача информации, остановки, уведомления осуществляются вручную сотрудниками. Поэтому схема бизнес-процесса «Как есть», созданная бизнес-аналитиком с использованием сложной семантики BPMN, реализуемой только в BPM-системе, в действительности не соответствует реально выполняемому процессу. При чтении такой схемы совершенно непонятно, как выполняется процесс в действительности.
Некоторые бизнес-аналитики, «нахватавшись» красивых значков BPMN, начинают «лепить» их где и как попало, глубоко не анализируя процесс и не прописывая нюансы его практического выполнения.
Поэтому для описания неавтоматизированного бизнес-процесса «Как есть» настоятельно рекомендую использовать только самые простые конструкции нотации BPMN. Кроме того, важно подробно описать допустимые в моделях «Как есть» интерпретации значков BPMN в «Соглашении по моделированию».
Если цель – создание модели бизнес-процесса для исполнения в конкретной BPMS, то создавать эту модель «Как должно быть» нужно понимая, какой конкретно функционал имеет система, то есть какие возможности нотации BPMN она поддерживает.
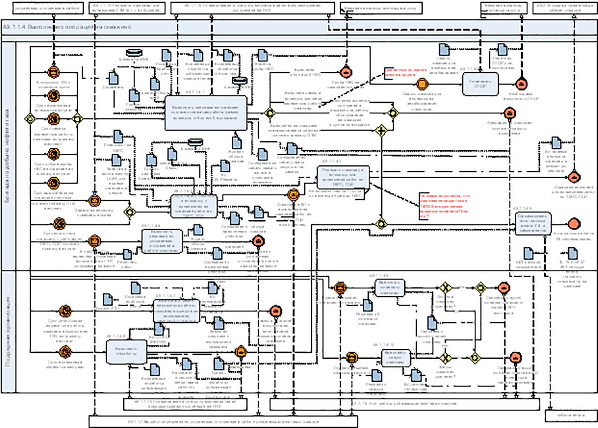
Визуальная наглядность и красота схемы (стиль). Схемы могут сложными, но понятными, а могут быть содержательно простыми, но до крайности визуально запутанными (см. пример на рис. 2).
Например, в одной компании, в которой я проводил анализ качества схем в нотации BPMN, было жесткое требование размещать модели на листе формата А4. Это приводило к тому, что бизнес-аналитики делали на схеме «Змейку» и она становилась крайне сложной для восприятия. Это можно назвать плохим стилем моделирования.

Рис. 2. Пример запутанной схемы в нотации BPMN (размытие выполнено специально).
Визуально наглядная, красивая схема гораздо больше подходит для целей анализа, чем запутанная и неряшливо нарисованная.
Какие проблемы можно выявить, анализируя схему бизнес-процесса?
Путем визуального анализа графической схемы бизнес-процесса можно выявить следующие проблемы:
- Технология выполнения процесса: некорректный состав, последовательность выполнения задач процесса, дублирование, отсутствие бизнес-правил.
- Дезинтеграция процесса по информационным системам (ручной перенос информации (документов) из системы в систему).
- Потеря важной информации (документов) при выполнении процесса.
- Отсутствие необходимой интеграции между процессами.
- Возвраты, излишние согласования.
- Узкие места.
- Задачи, не добавляющие ценность, потери.
Ниже рассмотрим каждую из указанных видов проблем.
Технология выполнения бизнес-процесса
Пример. Коллеги из довольной крупной компании разработали схему процесса «Создание, согласование и закрытие заявки на подбор» - см. рис. 3.
Проблемой является то, что проверка корректности заполнения заявки на подбор выполняется специалистом после того, когда руководитель подразделения и руководитель бизнес-единицы уже ее согласовали. То есть в случае выявления формальных замечаний, заявку придется возвращать в самое начало бизнес-процесса, что существенно увеличивает его длительность и приводит к дополнительным затратам.
Кроме того, процесс «Подбор персонала» включен в рассматриваемый процесс, как типовой. На мой взгляд, это несколько некорректно с точки зрения архитектуры бизнес-процессов HR в целом.

Рис. 3. Проблема с последовательностью задач.
Анализ схемы может показать, например, что результат процесса не передается его инициатору, то есть «зависает». Инициатор вынужден сам как-то его добывать. Это означает, что границы процесса определены некорректно.
Анализ графической схемы позволяет выявить некорректную последовательность выполнения задач сотрудниками, отсутствие необходимых задач, лишние задачи и т.п.
На рис. 4 показан фрагмент схемы процесса, из которого видно, что в нужном месте отсутствует бизнес-правило. Менеджеры отправляют проекты предоплатных договоров одновременно клиентам и юристу. Некоторые – сначала юристу, потом клиентам. В случае, если у юриста есть замечания, то менеджерам по продажам приходится отзывать проекты договоров и отправлять клиентам вторые версии, что неэффективно и снижает удовлетворенность клиентов.

Рис. 4. Отсутствие бизнес-правила. Пример 1.
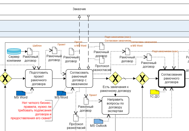
Еще один пример отсутствия бизнес-правила представлен на рис. 5. Менеджеры работают с заказчиками по-разному. Ряд заказчиков подписывает договор и присылает его скан, ряд – нет. Четко не определено, должны ли менеджеры требовать от заказчиков присылать подписанные сканы договоров или достаточно версии в формате MS Word и протокола разногласий и т.д.

Рис. 5. Отсутствие бизнес-правила. Пример 2.
Пример дублирования. На схеме рис. 6 показан фрагмент бизнес-процесса управления дебиторской задолженностью. Видно, что менеджер продаж и отдел управления просроченной дебиторской задолженностью дублируют контроль, пользуясь одними и теми же данными из автоматизированной системы управления компании.
Дезинтеграция процесса по информационным системам
На том же рис. 6 видно, что бизнес-процесс не интегрирован по информационным системам – наблюдается ручная передача информации в Outlook, ручная выгрузка из АСУ в MS Excel, потом в MS Word, сохранение в pdf-формат, звонки и e-mail-ы клиентам.

Рис. 6. Дублирование задач и отсутствие интеграции между ИС.
Ручной перенос данных между системами, как правило, является весьма трудоемким. Эта работа занимает значительную часть рабочего времени квалифицированных специалистов (например, ведущих менеджеров по продажам), лишая их возможности эффективно использовать это время для продаж, обслуживания клиентов, работы с поставщиками, аналитики, развития и проч. Кроме того, очевидно, что такой ручной перенос приводит к заметным задержкам при выполнении бизнес-процесса и сопряжен со значительными рисками некорректного ввода данных.
Потеря важной информации (документов) при выполнении процесса
Отсутствие интеграции между ИС, ручной перенос данных и отсутствие бизнес-правил часто сопряжены с проблемой потери важной информации (документов) при выполнении бизнес-процесса. Исполнитель либо не осознает важности этой информации для компании и не вносит ее в систему, либо бессистемно сохраняет документы на своем рабочем компьютере или, вообще, хранит их только в почте. Исполнитель может просто лениться сохранять информацию (документы) путем внесения, например, в CRM, сохранения в базе данных или на файл-сервере компании.
Отсутствие четких требований по работе с информацией, зафиксированных в регламенте, и контроля приводят к тому, что исполнители теряют важную для компании информацию.
Такая потеря информации (документов) в дальнейшем может привести к необходимости повторного сбора данных, запроса документов, к невозможности провести необходимый анализ для принятия решений и проч.
Отсутствие необходимой интеграции между процессами
На рис. 7 показан фрагмент бизнес-процесса приемки товара на склад гипермаркета торговой сети. В случае, если количество мест больше, чем указано в накладной, кладовщик «уведомляет менеджера по закупу» по яндекс-почте.
Но менеджер по закупку может:
- случайно удалить письмо;
- видеть письмо со значительной задержкой;
- отложить работу с поставщиков «на потом» без контроля сроков.
Таким образом, проблема, возникшая в одном бизнес-процессе и нуждающаяся в решении, не связана с запуском на исполнение другого процесса. Кроме того, информации о проблеме не зафиксирована в системе и может быть потеряна.
Представленный выше пример весьма типичный. Очень часто можно увидеть на схемах ситуацию типа: «Уведомить менеджера…», «Переслать информацию в такой-то отдел» и т.п.
Плохо то, что при выполнении бизнес-процессов не запускаются другие процессы, а идет «уведомление» сотрудников, не контролируется сроки начала соответствующих действий, теряется непрерывность, возникают зоны безответственности.

Рис. 7. Отсутствие интеграции между процессами.
Возвраты, излишние согласования
При выполнении бизнес-процессов часто возникают возвраты. Например, на рис. 8 показан возврат на повторное согласование договора.
Чем плохи возвраты? Они:
- многократно увеличивают длительность выполнения процесса;
- увеличивают затраты;
- могут негативно влиять на качество результата процесса;
- негативно сказываются на отношении сотрудников к работе (бесконечные переделки и уточнения, повторное выполнение одних и тех же задач мало кому понравится).

Рис. 8. Возвраты на схеме процесса.
В свое время Филипп Кросби, известный специалист в области менеджмента качества, сформулировал принцип «Делать всё правильно с первого раза». Почему же сотрудникам сложно его придерживаться? В чем причины возвратов? Думаю, в следующем. К ним приводят:
- нечетко поставленные задачи;
- недостаток информации у исполнителя;
- некачественные входы (информация);
- отсутствие методик/бизнес-правил у исполнителя;
- недостаточная квалификация исполнителя;
- ошибки («человеческий фактор»).
Исполнитель получил задачу и выполнил ее. Но оказалось, что руководитель имел в виду немного другое. Приходится переделывать.
Например, исполнитель не смог выполнить задачу качественно из-за недостатка исходных данных или их несоответствия требованиям.
Методика выполнения задачи могла быть вообще не определена или описана поверхностно (плохой регламент), так что исполнителю пришлось самому решать, что значит правильный метод выполнения, полагаться на свой опыт или рекомендации коллег по работе. Но этот опыт и эти рекомендации не всегда адекватны ситуации и могут привести к проблемам, например, созданию аварийных ситуаций, возникновению потерь ресурсов, снижению техники безопасности и проч.
Если задача была поручена исполнителю, квалификация которого не соответствует уровню ее сложности, то сотрудник может допустить ошибку или выполнить работу некачественно.
Не стоит исключать и человеческий фактор: физическая усталость, моральное утомление (например, в случае выполнения рутинной, монотонной работы по разнесению УПД из «Контур.Диадок» в 1C-ERP при крайне медлительной работе программы), негативное отношение к выполняемой работе и, в целом, - к компании, отсутствие лояльности и т.д.
Но в чем коренные причины указанных выше проблем? Кто виноват? Сами сотрудники? Нет. Еще дедушка Эдвардс Деминг, специалист мирового масштаба и отец новой философии управления, говорил, что 95% проблем, возникающих у сотрудников при выполнении процессов, обусловлены не плохим отношением людей к работе, а теми бизнес-процессами, системой, которую создали сами менеджеры компании.
Поэтому наличие большого количество возвратов на схеме процесса красноречиво говорит о недостатках в работе руководителей.
Эту мысль ярко демонстрирует еще один пример, показанный на рис. 9. В рамках представленного бизнес-процесса исполнитель вносит изменения в некий важный и довольно сложный документ. Затем идет параллельное согласование его специалистами, а уже потом последовательное согласование руководителями.
На рис. 9 видно огромное количество согласующих лиц, причем после каждого руководителя процесс может вернуться к началу. Говорить о том, сколько времени занимает такое процесс, даже не хочется… В лучшем случае, в крупной компании – это месяцы.
Еще одним негативным аспектом такого рода бизнес-процессов является размытие ответственности за результат между руководителями. Э. Деминг указывал, что дублирование контроля в случае, если его выполняют люди, часто приводит к снижению качества результата именно из-за психологического фактора: каждое последующее согласующее лицо в той или иной степени надеется, что предыдущий руководитель уже проверил документ и не нужно особенно напрягаться для выявления проблем.
Очевидно, что такая практика организации бизнес-процесса, как показано на рис. 9, является порочной. Подобные процессы подлежат радикальному перепроектированию на основе разработки четких бизнес-правил и, конечно, цифровизации подготовки и принятия решений.

Рис. 9. Излишние согласования и возвраты.
Узкие места
Еще одной проблемой, которую можно выявить путем визуального анализа схемы, являются узкие места в процессе. Они могут быть видны визуально, но чаще выявляются содержательно в том случае, если ресурс исполнителя ограничен, например: договора создают многие менеджеры, но в 1С-КА вводит данные только один сотрудник. Выполняемая им задача и он сам становятся узким местом.
На рис. 10 показ пример кадрового процесса одной из крупных компаний. По нему движется документ, который дополняют и согласуют множество руководителей.
Несмотря на то, что процесс автоматизирован в СЭД, в нем возникло узкое место, обведенное овалом. Специалист подразделения кадров осуществляет ручной контроль после каждой задачи согласования и «проталкивание» процесса между его участниками.
Хотя все участники процесса используют СЭД, назвать этот процесс автоматизированным, а тем более цифровым, нельзя. Автоматизация, предполагающая постоянный ручной контроль и «проталкивание» документов, является неэффективной.
Сотрудник подразделения кадров явно является узким местом, ограничением в процессе. В случае его загрузки другими задачами, болезни, отпуска при выполнении процесса возникают проблемы, в первую очередь, значительное увеличение его длительности.
Кроме того, на практике многие руководители вынуждены связываться между собой вне процесса (телефон, личные встречи), чтобы ускорить выполнение процесса и получение важного для них результата.
В целом, двигать документ вдоль процесса тогда, когда можно двигать только данные (информацию) – неэффективно. Именно поэтому современные системы класса BPM, с точки зрения цифровизации, имеют значительные преимущества по сравнению с СЭД, тем более устаревших версий.

Рис. 10. Узкое место в процессе.
Задачи, не добавляющие ценность, потери
При выполнении бизнес-процесса часто можно выявить задачи, которые не создают ценность с точки зрения создания его результата и потребностей потребителя (внутреннего и/или внешнего). Выполнение многих задач связано с возникновением потерь различного вида.
Приведу несколько примеров действий, которые не создают ценность, но влияют на увеличение потерь:
- ручной перенос информации из одной информационной системы в другую (например, из pdf-файла в 1С);
- ожидание отклика информационной системы сотрудником при выполнении загрузки данных, сохранении, проведении проводок; зависания и «вылеты» системы; ожидание начала совещания у руководителя;
- неудобный интерфейс программы и, как следствие, много лишних действий исполнителя (движения мышкой от одного места экрана к другому, сложные многоуровневые меню и т.д.);
- ручное перемещение документов от одного рабочего места к другому в рамках, например, процесса согласования;
- выполнение расчетов и подготовка документов (отчетов), которые потом не используются;
- частые перемещения внутри офисного помещения (рабочее место – принтер – рабочее место), перемещения между разными этажами офиса, пешие перемещения сотрудников по территории крупного производственного предприятия и проч.;
- переделка документов из-за выявленных ошибок.
Выводы
Визуальный анализ графической схемы бизнес-процесса в нотации BPMN – мощный практический метод, позволяющий быстро получить информацию о возникающих проблемах и наметить пути оптимизации процесса.
В рамках деятельности Процессного офиса для описания и оптимизации бизнес-процессов целесообразно разработать:
- чек-лист формального анализа качества графической схемы бизнес-процесса;
- чек-лист содержательного анализа для выявления проблем и определения возможных мероприятий по оптимизации процесса.
Бизнес-аналитики Процессного офиса и участники временных рабочих групп из числа руководителей и специалистов могут взять на заметку рассмотренные в статье методы, детально проработать их и успешно применять на практике.
В.В. Репин,
к.т.н., доцент, консультант по управлению, Генеральный директор ООО «Владимир Репин Менеджмент», член ABPMP Russian Chapter.
Февраль 2023 г.